全ての商品から
雪止金具
樋受金具
工具・道具
はじめてのお客様へ
雪止金具
樋受金具
工具・道具
Y-1 ニューフジ平葺DX 240羽根
Y-35 雪解けレール 900mm 黒
SK-2 扇型コロニアル 後付用
RK-2 落下防止ネット 平葺
UK-01 爪付 5mm角足打込 5本組
TB-05 タッチバンド
MU-02 ZAM正面打 半丸105
種光 ステン用SLD スタンダード 柳刃
日進 ハイパーV 屋根プロII #1300
» カートの中身を見る
白幡商会 公式ページ
ホーム
>
樋受金具
>
非住宅大型軒とい用
OT-12 メッキ ニュー連(つらなり) ルーフ兼用 自在スレート上打 パナソニック用
型番
OT-12
販売価格
924円(税84円)〜35,475円(税3,225円)
購入数
オプションの価格詳細はコチラ
ケース
バラ
前高130W用
35,475円(税3,225円)
924円(税84円)
前高165W用
25,245円(税2,295円)
1,095円(税100円)
» 特定商取引法に基づく表記 (返品など)
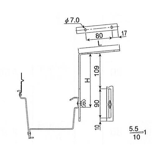
パナソニック電工製非住宅用大型雨とい、「前高130ワイド」「前高165ワイド」「前高200ワイド」用
これは折版屋根の軒先に下穴を開け、ボルトを通してナットで固定します。
「自在スレート上打(じざいスレートあげうち)」と呼びます。
前側が横に倒れるので、樋を収めるのがとてもラクです。
画像は 前高130W(ワイド)用 です。
●本体:ドブメッキ
●入数:
前高130W用・・・50本入
前高165W用・・・30本入